DLP-2196
Bagger
Neu
Casting
HRC63
Nach Kundenwunsch
China
Baggerschaufel
CE
DLP-2196
Cr Weißes Eisen und Flussstahl
OEM
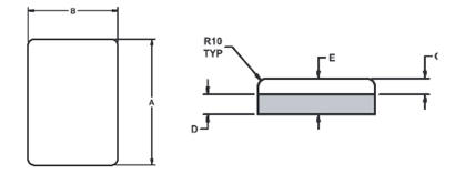
130 mm x 80 mm x 23 mm
8431499900
1. Beschreibung:
Name: Tragen Sie Donuts DLP-2196
Beschreibungen:
Material: Cr-Weißeisen und Flussstahl
Härte: HRC63
Einfach zu schneiden - Sie können den Schutz an verschiedene Spezifikationen anpassen
Leicht zu biegen - bietet Schutz auf einer konturierten Oberfläche.
Verwenden Sie Stoßstangen mit vorgekerbter Grundplatte.
Erhältlich in 5 Größen - mit Standard- oder vorgekerbter Grundplatte.
Anwendungen:
Eimer Verschleißstreifen.
Ersetzt den harten Belag für Schneckenbohrköpfe, Richtbohrköpfe, Fundamentbohren, Anbohren von Bohrungen.
Fan-Blatt-Einlagen
Pug Mill Paddel, Tip und Schaber.
Recyclingindustrie.
Straßenhobel Kufen und Pick Protektoren.
Ersetzt den harten Belag für Pumpengehäuse und Laufräder
2. Unsere Produktpalette
3.Beliebte Artikel blasen als Referenz:
| Teil Nr. | A (mm) | B (mm) | C (mm) | D (mm) | E (mm) | Gewicht (kg) |
| DLP-1920 | 75 | 25 | 17 | 8 | 25 | 0.7 |
| DLP-1921 | 100 | 50 | 17 | 8 | 25 | 1.1 |
| DLP-1994 | 100 | 70 | 24 | 8 | 32 | 1 |
| DLP-2196 | 130 | 80 | 15 | 8 | 23 | 1.3 |
| DLP-4771 | 148 | 108 | 25 | 10 | 35 | 2.3 |
| Teil Nr. | A (mm) | B (mm) | C (mm) | D (mm) | E (mm) | Gewicht (kg) |
| DLP 4 | 300 | 38 | 25 | 8 | 33 | 3 |
| DLP 295 | 153 | 38 | 25 | 8 | 33 | 1.6 |
| DLP 508 | 190 | 50 | 20 | 10 | 30 | 2.3 |
| DLP 125 | 230 | 50 | 38 | 12 | 50 | 4.6 |
| DLP 1101 | 150 | 50 | 40 | 10 | 50 | 3 |
| DLP 528 | 150 | 75 | 40 | 10 | 50 | 4.5 |
| DLP 619 | 150 | 75 | 50 | 10 | 60 | 5.3 |
| Teil # | A (mm) | B (mm) | C (mm) | D (mm) | E (mm) | Gewicht (kg |
| SB 413 | 200 | 150 | 20 | 25 | 45 | 10.5 |
| SB 412 | 250 | 150 | 20 | 25 | 45 | 13.1 |
| SB 414 | 250 | 250 | 20 | 25 | 45 | 22 |
4. Unser Lager:
5. unternehmensinformationen
Ningbo Beneparts Machinery co., Ltd als Ihr zuverlässiger GET-Ersatzteilanbieter bietet ein komplettes Sortiment an Ersatzteilen an, die für alle Arten von Erdbewegungsmaschinen geeignet sind, die im Bergbau, im Bauwesen, in der Landwirtschaft usw. Anwendung finden bald. Zu den von uns gelieferten Ersatzteilen gehören Gussteile wie Schaufelzähne, Adapter, Lippenmantel, Beschützer, Aufreißzapfen usw. und Schmiedeteile wie geschmiedete Schaufelzähne, Schneidkante, Gradiermesser, Segment, Endstück usw. sowie Verschleißteile Wie Stoßstangen, Verschleißknöpfe, Chrom-Verschleißplatte usw. und zusammenpassende Teile wie Stift, Unterlegscheibe, Bolzen und Muttern usw. Unsere Teile umfassen Maschinenmarken von Caterpillar, Komatsu, Volvo Doosan, Daewoo, Hyundai, JCB, Kobelco, Liebherr John Deere usw.
Beneparts hat ein sehr starkes Verkaufsteam und einen fest kooperierten Hersteller mit High-Tech und Qualitätsorientierung mit mehr als 28 Jahren Erfahrung.
Unsere Vorteile sind das Vierfache, unser:
1. starkes technisches Team, und wir haben die Fähigkeit, Materialien zu formulieren, um die spezifischen Bedürfnisse der Projekte unserer Kunden zu erfüllen.
Qualitätsüberwachungssystem der Qualität 2.Perfect und vollständige Strecke der vorgerückten Anlagen, wie Komponentenanalysemaschine, Auswirkungsmaschine, Zugfestigkeitsmaschine usw.
3. Reiche Erfahrung, um OEM / ODM Geschäft zu tun, wir können Einzelteile entsprechend Zeichnungen und Proben entwickeln, wenn Sie spezifische Anforderung haben.
4. Effizientes Management, wir können kurze Lieferzeiten und wir haben guten Kundendienst, der langfristige Geschäftszusammenarbeit mit unseren Kunden hält.
Unser Engagement für Sie ist immer ein schneller, bequemer und effektiver Kundenservice.
Freue mich dich zu treffen!
1. Beschreibung:
Name: Tragen Sie Donuts DLP-2196
Beschreibungen:
Material: Cr-Weißeisen und Flussstahl
Härte: HRC63
Einfach zu schneiden - Sie können den Schutz an verschiedene Spezifikationen anpassen
Leicht zu biegen - bietet Schutz auf einer konturierten Oberfläche.
Verwenden Sie Stoßstangen mit vorgekerbter Grundplatte.
Erhältlich in 5 Größen - mit Standard- oder vorgekerbter Grundplatte.
Anwendungen:
Eimer Verschleißstreifen.
Ersetzt den harten Belag für Schneckenbohrköpfe, Richtbohrköpfe, Fundamentbohren, Anbohren von Bohrungen.
Fan-Blatt-Einlagen
Pug Mill Paddel, Tip und Schaber.
Recyclingindustrie.
Straßenhobel Kufen und Pick Protektoren.
Ersetzt den harten Belag für Pumpengehäuse und Laufräder
2. Unsere Produktpalette
3.Beliebte Artikel blasen als Referenz:
| Teil Nr. | A (mm) | B (mm) | C (mm) | D (mm) | E (mm) | Gewicht (kg) |
| DLP-1920 | 75 | 25 | 17 | 8 | 25 | 0.7 |
| DLP-1921 | 100 | 50 | 17 | 8 | 25 | 1.1 |
| DLP-1994 | 100 | 70 | 24 | 8 | 32 | 1 |
| DLP-2196 | 130 | 80 | 15 | 8 | 23 | 1.3 |
| DLP-4771 | 148 | 108 | 25 | 10 | 35 | 2.3 |
| Teil Nr. | A (mm) | B (mm) | C (mm) | D (mm) | E (mm) | Gewicht (kg) |
| DLP 4 | 300 | 38 | 25 | 8 | 33 | 3 |
| DLP 295 | 153 | 38 | 25 | 8 | 33 | 1.6 |
| DLP 508 | 190 | 50 | 20 | 10 | 30 | 2.3 |
| DLP 125 | 230 | 50 | 38 | 12 | 50 | 4.6 |
| DLP 1101 | 150 | 50 | 40 | 10 | 50 | 3 |
| DLP 528 | 150 | 75 | 40 | 10 | 50 | 4.5 |
| DLP 619 | 150 | 75 | 50 | 10 | 60 | 5.3 |
| Teil # | A (mm) | B (mm) | C (mm) | D (mm) | E (mm) | Gewicht (kg |
| SB 413 | 200 | 150 | 20 | 25 | 45 | 10.5 |
| SB 412 | 250 | 150 | 20 | 25 | 45 | 13.1 |
| SB 414 | 250 | 250 | 20 | 25 | 45 | 22 |
4. Unser Lager:
5. unternehmensinformationen
Ningbo Beneparts Machinery co., Ltd als Ihr zuverlässiger GET-Ersatzteilanbieter bietet ein komplettes Sortiment an Ersatzteilen an, die für alle Arten von Erdbewegungsmaschinen geeignet sind, die im Bergbau, im Bauwesen, in der Landwirtschaft usw. Anwendung finden bald. Zu den von uns gelieferten Ersatzteilen gehören Gussteile wie Schaufelzähne, Adapter, Lippenmantel, Beschützer, Aufreißzapfen usw. und Schmiedeteile wie geschmiedete Schaufelzähne, Schneidkante, Gradiermesser, Segment, Endstück usw. sowie Verschleißteile Wie Stoßstangen, Verschleißknöpfe, Chrom-Verschleißplatte usw. und zusammenpassende Teile wie Stift, Unterlegscheibe, Bolzen und Muttern usw. Unsere Teile umfassen Maschinenmarken von Caterpillar, Komatsu, Volvo Doosan, Daewoo, Hyundai, JCB, Kobelco, Liebherr John Deere usw.
Beneparts hat ein sehr starkes Verkaufsteam und einen fest kooperierten Hersteller mit High-Tech und Qualitätsorientierung mit mehr als 28 Jahren Erfahrung.
Unsere Vorteile sind das Vierfache, unser:
1. starkes technisches Team, und wir haben die Fähigkeit, Materialien zu formulieren, um die spezifischen Bedürfnisse der Projekte unserer Kunden zu erfüllen.
Qualitätsüberwachungssystem der Qualität 2.Perfect und vollständige Strecke der vorgerückten Anlagen, wie Komponentenanalysemaschine, Auswirkungsmaschine, Zugfestigkeitsmaschine usw.
3. Reiche Erfahrung, um OEM / ODM Geschäft zu tun, wir können Einzelteile entsprechend Zeichnungen und Proben entwickeln, wenn Sie spezifische Anforderung haben.
4. Effizientes Management, wir können kurze Lieferzeiten und wir haben guten Kundendienst, der langfristige Geschäftszusammenarbeit mit unseren Kunden hält.
Unser Engagement für Sie ist immer ein schneller, bequemer und effektiver Kundenservice.
Freue mich dich zu treffen!