loading

DLP1889

Menge:
sharethis sharing button
  • DLP1889

  •  DLP1889

  •  Bagger

  •  Neu

  •  Casting

  •  HRC63

  •  Nach Kundenwunsch

  • China

  •  Baggerschaufel

  •  CE

  •  DLP1889

  •  Cr Weißes Eisen und Flussstahl

  •  OEM

  •  311 mm × 48 mm × 50 mm

  • 8431499900

1. Beschreibung:
Name: Grizzly Bars DLP1889
Beschreibungen:
Material: Cr-Weißeisen und Flussstahl
Härte: HRC63

Einfach zu schneiden - Sie können den Schutz an verschiedene Spezifikationen anpassen
Leicht zu biegen - bietet Schutz auf einer konturierten Oberfläche.
Verwenden Sie Stoßstangen mit vorgekerbter Grundplatte.
Erhältlich in 5 Größen - mit Standard- oder vorgekerbter Grundplatte.

Anwendungen:
Eimer Verschleißstreifen.
Ersetzt den harten Belag für Schneckenbohrköpfe, Richtbohrköpfe, Fundamentbohren, Anbohren von Bohrungen.
Fan-Blatt-Einlagen
Pug Mill Paddel, Tip und Schaber.
Recyclingindustrie.
Straßenhobel Kufen und Pick Protektoren.
Ersetzt den harten Belag für Pumpengehäuse und Laufräder

2. Unsere Produktpalette
Erdbewegungsausrüstung DLP1889 Loader Wear Bar

3.Beliebte Artikel blasen als Referenz:
Erdbewegungsausrüstung DLP1889 Loader Wear Bar

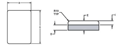
Teil Nr. A (mm) B (mm) C (mm) D (mm) E (mm) Gewicht (kg)
DLP-1920 75 25 17 8 25 0.7
DLP-1921 100 50 17 8 25 1.1
DLP-1994 100 70 24 8 32 1
DLP-2196 130 80 15 8 23 1.3
DLP-4771 148 108 25 10 35 2.3

Erdbewegungsausrüstung DLP1889 Loader Wear Bar

Teil Nr. A (mm) B (mm) C (mm) D (mm) E (mm) Gewicht (kg)
DLP 4 300 38 25 8 33 3
DLP 295 153 38 25 8 33 1.6
DLP 508 190 50 20 10 30 2.3
DLP 125 230 50 38 12 50 4.6
DLP 1101 150 50 40 10 50 3
DLP 528 150 75 40 10 50 4.5
DLP 619 150 75 50 10 60 5.3

Erdbewegungsausrüstung DLP1889 Loader Wear Bar

Teil # A (mm) B (mm) C (mm) D (mm) E (mm) Gewicht (kg
SB 413 200 150 20 25 45 10.5
SB 412 250 150 20 25 45 13.1
SB 414 250 250 20 25 45 22


4. Unser Lager:
Erdbewegungsausrüstung DLP1889 Loader Wear Bar


5. unternehmensinformationen

Ningbo Beneparts Machinery co., Ltd als Ihr zuverlässiger GET-Ersatzteilanbieter bietet ein komplettes Sortiment an Ersatzteilen an, die für alle Arten von Erdbewegungsmaschinen geeignet sind, die im Bergbau, im Bauwesen, in der Landwirtschaft usw. Anwendung finden bald. Zu den von uns gelieferten Ersatzteilen gehören Gussteile wie Schaufelzähne, Adapter, Lippenmantel, Beschützer, Aufreißzapfen usw. und Schmiedeteile wie geschmiedete Schaufelzähne, Schneidkante, Gradiermesser, Segment, Endstück usw. sowie Verschleißteile Wie Stoßstangen, Verschleißknöpfe, Chrom-Verschleißplatte usw. und zusammenpassende Teile wie Stift, Unterlegscheibe, Bolzen und Muttern usw. Unsere Teile umfassen Maschinenmarken von Caterpillar, Komatsu, Volvo Doosan, Daewoo, Hyundai, JCB, Kobelco, Liebherr John Deere usw.

Beneparts hat ein sehr starkes Verkaufsteam und einen fest kooperierten Hersteller mit High-Tech und Qualitätsorientierung mit mehr als 28 Jahren Erfahrung.

Unsere Vorteile sind das Vierfache, unser:
1. starkes technisches Team, und wir haben die Fähigkeit, Materialien zu formulieren, um die spezifischen Bedürfnisse der Projekte unserer Kunden zu erfüllen.
Qualitätsüberwachungssystem der Qualität 2.Perfect und vollständige Strecke der vorgerückten Anlagen, wie Komponentenanalysemaschine, Auswirkungsmaschine, Zugfestigkeitsmaschine usw.
3. Reiche Erfahrung, um OEM / ODM Geschäft zu tun, wir können Einzelteile entsprechend Zeichnungen und Proben entwickeln, wenn Sie spezifische Anforderung haben.
4. Effizientes Management, wir können kurze Lieferzeiten und wir haben guten Kundendienst, der langfristige Geschäftszusammenarbeit mit unseren Kunden hält.

Unser Engagement für Sie ist immer ein schneller, bequemer und effektiver Kundenservice.
Freue mich dich zu treffen!


Erdbewegungsausrüstung DLP1889 Loader Wear Bar

Vorherige: 
Nächste: 

SCHNELLE LINKS

GARANTIE

BeneParts garantiert allen unseren Ersatzteile gegen Bruch. Wenn eines dieser Teile unter normalen Arbeitsbedingungen brichtwir wird ein neues Teil kostenlos zur Verfügung stellen.

IN KONTAKT KOMMEN

Adresse:HuiyaInternationalGebäude,
    No.1107-803 Tiantong Norden
Straße,
Ningbo, P.R.C. 315100
Tel: +86 574 88167027
Email:sales@beneparts.cn